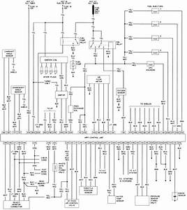
1996 Subaru Impreza Wiring Diagram

Guides 3 Algae Drawing Well Labelled Diagram Green For Free

96 Legacy Wiring Diagram Wiring Diagram

1996 Subaru Impreza Stereo Wiring Harness Diagram

1996 Subaru Impreza Stereo Wiring Diagram Wiring Murcass Sk

1997 Subaru Outback Stereo Wiring Diagram Catalogue Of Schemas

0 Response to "1996 Subaru Impreza Wiring Diagram"

Post a Comment